Trong thế giới xe máy hiện đại, đặc biệt là các dòng xe tay ga, hệ thống khởi động đã có những bước tiến vượt bậc. Thay vì sử dụng mô tơ đề truyền thống, nhiều mẫu xe ngày nay áp dụng bộ đề từ xe máy công nghệ ACG. Thiết bị này đóng vai trò kép quan trọng, vừa là máy khởi động động cơ, vừa là máy phát điện cung cấp năng lượng cho hệ thống điện và sạc lại ắc quy khi xe đang chạy. Sự tích hợp này cũng là nền tảng cho tính năng dừng cầm chừng Idling Stop hiệu quả.
Cơ Chế Hoạt Động Của Thiết Bị Khởi Động Điện Từ
Bộ đề từ xe máy hay còn được biết đến với tên gọi “Bộ đề từ trường” hoạt động dựa trên nguyên lý điện từ, hoàn toàn khác biệt so với mô tơ dùng chổi than truyền thống. Cấu tạo cơ bản của nó bao gồm một stator chứa các cuộn dây và một rotor với các nam châm vĩnh cửu được gắn cố định. Khi người lái nhấn nút khởi động, tín hiệu điện được gửi tới Bộ điều khiển động cơ (ECM) để kích hoạt rơ-le, cho phép dòng điện lớn từ ắc quy đi vào hệ thống.
Mô tả cuộn điện được sử dụng làm mô tơ đề ACG
Sau khi nhận được năng lượng, các cuộn dây trong thiết bị sẽ biến thành các nam châm điện, tạo ra lực từ. Lực từ này tương tác với các nam châm vĩnh cửu trên rotor, khiến trục khuỷu quay, từ đó khởi động động cơ. Quá trình này diễn ra nhanh chóng và êm ái hơn nhiều so với phương pháp cơ học cũ.
Vai Trò Của Cảm Biến Hall Trong Việc Điều Khiển Từ Tính
Để bộ đề từ xe máy có thể tạo ra mô-men xoắn cần thiết giúp vô lăng quay đúng chiều, việc cấp điện cho các cuộn dây phải được kiểm soát chính xác về mặt thời điểm và thứ tự. Hệ thống sử dụng các cảm biến Hall, thường nằm trong cụm cảm biến vị trí trục khuỷu (CKP), để thực hiện nhiệm vụ này. Các cảm biến này có nhiệm vụ phát hiện vị trí chính xác của các nam châm vĩnh cửu trên rotor khi chúng quét qua.
Nguyên tắc sử dụng nam châm hút đẩy trong động cơ xe máy
Dữ liệu về vị trí nhận được từ các cảm biến Hall được gửi liên tục về ECM. Dựa trên thông tin này, ECM sẽ tính toán và đưa ra lệnh điều khiển điện áp ba pha xuống các cuộn dây một cách chính xác nhất, đảm bảo rằng lực từ luôn được tạo ra tại đúng vị trí để tác động lên rotor theo chiều quay mong muốn.
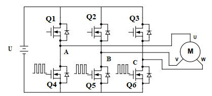
Quy Trình Đóng Ngắt MOSFET Để Tạo Ra Từ Trường Quay
Hệ thống điều khiển bộ đề từ xe máy sử dụng một bộ sáu MOSFET (transistor hiệu ứng trường kim loại – oxide– bán dẫn) để đóng ngắt nguồn dương và mass tới ba đầu dây A, B, C của cuộn dây ba pha. Quyết định đóng hay ngắt các MOSFET này hoàn toàn nằm trong sự điều khiển của vi điều khiển trung tâm (chip chủ) trong ECM.
Việc cuộn dây nào trong ba pha U, V, W được cấp điện phụ thuộc trực tiếp vào tín hiệu vị trí mà cảm biến CKP gửi về. Ví dụ, trong một chu trình khởi động, ECM có thể kích hoạt SW1 và SW4 đóng, cấp nguồn dương cho pha U và đưa pha V về mass. Sự chênh lệch từ trường này làm cho nam châm bên trong rotor quay theo hướng nhất định. Ngay lập tức, ECM chuyển sang trạng thái tiếp theo bằng cách kích hoạt SW1 và SW6 đóng, thay đổi dòng điện cấp cho các pha, giúp lực từ dịch chuyển liên tục, kéo rotor quay tiếp.
Sơ đồ minh họa sự luân phiên đóng mở các MOSFET trong hệ thống đề từ
Quá trình này là một chuỗi các bước đóng/ngắt luân phiên theo một trình tự được lập trình sẵn. Tốc độ quay của động cơ lúc khởi động được quyết định bởi tần suất và chu kỳ làm việc của việc điều khiển các MOSFET này. Nếu tốc độ điều khiển nhanh, động cơ sẽ quay nhanh hơn.
Dạng Sóng Dòng Điện Ba Pha Trong Hệ Thống
Mặc dù bộ đề từ xe máy sử dụng nguồn điện một chiều (DC) từ ắc quy để cấp cho các cuộn dây ở ba đầu dây A, B, C, nhưng do việc cấp điện không liên tục và thay đổi luân phiên giữa các cặp cuộn dây, dòng điện thực tế tại các cuộn dây sẽ có dạng gần giống như sóng hình sin (dạng AC giả lập).
.png)
Dạng sóng này là kết quả của thuật toán điều khiển phức tạp của ECM nhằm duy trì mô-men xoắn ổn định. Sự phức tạp trong việc điều khiển dòng ba pha này phụ thuộc vào nhiều yếu tố kỹ thuật như sự chính xác của cảm biến CKP, khả năng xử lý của mạch điều khiển trong ECM, chất lượng cuộn dây ba pha, nguồn điện từ ắc quy và hoạt động của rơ-le khởi động. Đây là một hệ thống điện tử tinh vi đảm bảo hiệu suất cao cho xe máy.
Khái niệm về bộ đề từ xe máy ACG đại diện cho sự nâng cấp công nghệ, mang lại trải nghiệm khởi động mượt mà và yên tĩnh hơn cho người dùng xe hai bánh. Việc nắm vững những nguyên lý cơ bản này sẽ giúp người sở hữu xe hiểu rõ hơn về trái tim điện tử đang vận hành chiếc xe của mình, một kiến thức hữu ích mà Xe Thanh Bình Xanh luôn muốn chia sẻ.
Các Câu Hỏi Thường Gặp Về Bộ Đề Từ Xe Máy
Bộ đề từ xe máy ACG khác gì so với bộ đề điện truyền thống?
Khác biệt cơ bản là bộ đề ACG không sử dụng chổi than và cổ góp như mô tơ đề truyền thống; nó hoạt động hoàn toàn dựa trên nguyên lý điện từ và được điều khiển điện tử bởi ECM, vừa làm máy phát vừa làm máy khởi động.
Tại sao xe máy ngày nay lại chuyển sang sử dụng bộ đề từ trường?
Lý do chính là để tăng cường hiệu suất, loại bỏ tiếng ồn khi khởi động, tăng độ bền do không có chổi than mòn, và cho phép tích hợp các tính năng tiết kiệm nhiên liệu như Idling Stop.
Cảm biến Hall có vai trò gì trong việc khởi động?
Cảm biến Hall cung cấp tín hiệu liên tục về vị trí của rotor (nam châm vĩnh cửu) tới ECM, giúp ECM xác định được thời điểm chính xác để cấp điện cho các cuộn dây, đảm bảo mô-men xoắn được tạo ra đúng hướng.
ECM điều khiển tốc độ quay của động cơ như thế nào thông qua bộ đề từ?
ECM điều khiển tốc độ bằng cách thay đổi tần suất và chu kỳ đóng ngắt của các MOSFET cấp điện cho các cuộn dây ba pha. Tần suất thay đổi nhanh hơn sẽ dẫn đến tốc độ quay của rotor nhanh hơn.
Dòng điện cấp cho cuộn dây có phải là dòng AC không?
Mặc dù ECM điều khiển dòng điện ba pha, nhưng nguồn cấp ban đầu là điện DC từ ắc quy. Dòng điện đi vào cuộn dây có dạng xung thay đổi liên tục, tạo ra từ trường xoay chiều hiệu dụng, chứ không phải là dòng điện xoay chiều tiêu chuẩn.
Bộ phận nào chịu trách nhiệm đóng ngắt dòng điện trong bộ đề từ xe máy?
Hệ thống sử dụng một bộ sáu MOSFET được điều khiển bởi chip chủ (vi điều khiển) trong ECM để cấp nguồn dương và mass cho ba đầu dây cuộn dây.
Nếu cảm biến CKP bị lỗi thì việc khởi động có bị ảnh hưởng không?
Hoàn toàn bị ảnh hưởng. Nếu ECM không nhận được tín hiệu vị trí chính xác từ cảm biến CKP (nơi có cảm biến Hall), nó sẽ không biết cách tạo ra từ trường xoay chiều phù hợp, dẫn đến việc xe không thể khởi động hoặc khởi động rất khó khăn.
Thời gian sử dụng của bộ đề từ ACG thường kéo dài bao lâu?
Vì không có bộ phận cơ khí dễ hao mòn như chổi than, bộ đề từ xe máy ACG có tuổi thọ cao hơn nhiều so với mô tơ đề cũ, thường bền bỉ theo tuổi thọ của xe nếu hệ thống điện và ECM hoạt động tốt.
